Baterie / autobaterie / nabijecka
- kudlis
- Nováček

- Příspěvky: 15
- Registrován: 29.01.2009 00:00
- Bydliště: Praha
Re: Baterie
Dodneška jsem nabíjel u táty, ale uvažuju o koupi nabíječky. Mám baterii 74Ah v 1,8TDCi.
Můžete mi nějakou doporučit, to co jsem našel na webu mi připadá všechno stejný....
Díky
Můžete mi nějakou doporučit, to co jsem našel na webu mi připadá všechno stejný....
Díky
fofo kombi 1,8TDCi 85kW (*3/2004)
Baby on Ford
- pelen
- Test driver

- Příspěvky: 9259
- Registrován: 02.02.2008 03:18
- Bydliště: Nový Jičín
- Kontaktovat uživatele:
- Black66
- Nováček

- Příspěvky: 129
- Registrován: 17.02.2008 11:59
- Bydliště: Vysočina
Re: Baterie
Zkušenost s "magickým okem" u orig. baterie Motorcraft: Přes vánoce Fofo odpočíval v garáži (14 dnů). Koncem dovolené jsem zjistil, že oko změnilo barvu na červenou a ještě později na čirou (žádná barva) (napětí asi 12,4V). Dal jsem nabíječku, během nabíjení, ani po něm žádná změna (víc jak 14V). Zkusil jsem nastartovat- na 1. drnc- a nechal to chvilku bafat, ale opět nic. Mé chmurné myšlenky nad krátkým životem baterky se rozplynuly až po najetí na normální pracovní režim. Opět zelené! (Mimochodem ve Feldě jsem měnil orig.Akumu po 13 letech). To oko si vysvětluju snad jen tím, že se musela kyselina stáhnout do desek a až se zase pořádně promíchala (i v tom oku), začalo to být zase zelené.
Také jsem provedl měření vybíjení baterie spotřebiči auta v klidu- základní výbava (DO,imob.,radio6000CD).Měřeno multimetrem zařazeným do serie.
Po vyp klíčku do "0": 95 mA
Po 1/2 hod. : 13,5 mA (po odpadnutí relé vnitř. osvětlení)
Snad to někomu pomůže při problémech s baterkou.
Také jsem provedl měření vybíjení baterie spotřebiči auta v klidu- základní výbava (DO,imob.,radio6000CD).Měřeno multimetrem zařazeným do serie.
Po vyp klíčku do "0": 95 mA
Po 1/2 hod. : 13,5 mA (po odpadnutí relé vnitř. osvětlení)
Snad to někomu pomůže při problémech s baterkou.
- yozefb
- Pokročilý

- Příspěvky: 521
- Registrován: 27.10.2008 07:41
- Bydliště: TV
Re: Baterie
chcem sa opytat, mam este origo baterku, startuje celkom v poho, mohla by aj lepsie, ale planujem ju dobit.
Ked stojim napr. na krizovatke, tak mi svetka poblikuju, takisto aj osvetlenie pristrojovky, dobre to vidno na displeji tacho.
predstavuje to nejaky problem, alebo je to normalna vlastnot ?
Ked stojim napr. na krizovatke, tak mi svetka poblikuju, takisto aj osvetlenie pristrojovky, dobre to vidno na displeji tacho.
predstavuje to nejaky problem, alebo je to normalna vlastnot ?
Focus 1.6 16V HB 2003 silver
- zewl
- Test driver

- Příspěvky: 8644
- Registrován: 02.02.2008 03:18
- Bydliště: Olomouc
- Kontaktovat uživatele:
Re: Baterie
taky, pokud mam studeny motor a zaple vyhrivani celniho skla, tak trosku pohasina palubka... Rekl bych, ze je to v pohode, i na volnobeh to musi vsechno alternator utahnout a ty otacky nejsou zrovna vysoke (cca. 750-800). Tak proto to pohasina.
- yozefb
- Pokročilý

- Příspěvky: 521
- Registrován: 27.10.2008 07:41
- Bydliště: TV
Re: Baterie
lenze ono to tak lahko blika, nielen ze sa to stlmi, ale aj blika, a uz ked je motor teply.
takze ok, jo ?
takze ok, jo ?
Focus 1.6 16V HB 2003 silver
- zewl
- Test driver

- Příspěvky: 8644
- Registrován: 02.02.2008 03:18
- Bydliště: Olomouc
- Kontaktovat uživatele:
Re: Baterie
tak si zkus zmerit, jestli ti dava alternator spravnou stavu pri volnobehu, jestli neni problem tam...
- yozefb
- Pokročilý

- Příspěvky: 521
- Registrován: 27.10.2008 07:41
- Bydliště: TV
Re: Baterie
ok, trochu mi lepi, ale checknem to. Dufam, ze ma neklepne pri tom, lebo altik ja servis okolo je drahy jak slak.
Focus 1.6 16V HB 2003 silver
- Black66
- Nováček

- Příspěvky: 129
- Registrován: 17.02.2008 11:59
- Bydliště: Vysočina
Re: Baterie
Ty světla ti blikají, nebo pohasínají? A co ti v tu chvíli dělá otáčkoměr? Mně při studeném motoru také lehce kolísají otáčky a tím pádem dochází k poklesu napětí sítě-pohasnou světla. Podezřívám váhu vzduchu. Až bude tepleji, tak se ji pokusím vyčistit.
- yozefb
- Pokročilý

- Příspěvky: 521
- Registrován: 27.10.2008 07:41
- Bydliště: TV
Re: Baterie
otacky su praveze pri tom stabilne. no je to vidiet, ako keby cvakalo rele, a zapinalo - vypinalo sa pri tom dobijanie. Deje sa to chvilku a potom prestane, potom znovu. Uz som si to vsimol aj na inych nie Ford autach pr stati na cervenej.
Focus 1.6 16V HB 2003 silver
- ferdys
- Nováček

- Příspěvky: 32
- Registrován: 02.02.2008 03:18
- Bydliště: Praha
Re: Baterie
Tak a já přispěji tím, jak pokračuje anabáze mých poblémů s dobíjením (spíše nedobíjením:-) Auto bylo 10dnů u elektrikáře ..! Několikrát rozebral a dával s novými a novými díly alternátor. ten pracuje prý na jedničku a plně pokrývá veškeré spotřebiče v autě,dokonce i mírně dobíjí, ale napětí při dobíjení stále okolo 13,5V, pouze když se ke všem spotřebičům zapne vyhřívání předního skla, směr proudu se otočí a mírně teče z baterky ven. Vyměnil prakticky veškerou kabeláž, nové konektory .... a dobíjecí proud je ale stále nízký .... takže auto se v pondělí vrací do servisu k Fordovi, kde to mě podržte, budou zkoumat, zda není chyba v řídící jednotce. A to by bylo to poslední co bych potřeboval.... Neměl jste někdo podobný problém ? Nová jednotka prý 25kolíků a to už mám otevřenou zakázku za cca 6tis. Díky za každý impuls .....
Ford Focus C-MAX 100kW, 2,0 TDCI 2006
- pelen
- Test driver

- Příspěvky: 9259
- Registrován: 02.02.2008 03:18
- Bydliště: Nový Jičín
- Kontaktovat uživatele:
Re: Baterie
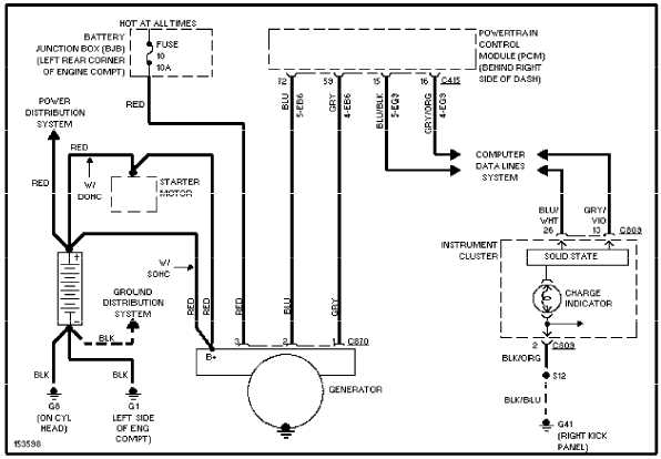
Ferdys, velikost napeti, ktere dava do palubni site alternator neridi ridici jednotka, ale elektronicky regler primo v alternatoru. My, kteri jsme jiz tuto soucastku museli menit, tak alternator vetsinou prebijel, napeti bylo vice jak 15 V.
Regler je ta soucastka, ktera je na obrazku "altik regulator.jpg" v obdelniku oznacenem "generator" vlevo s naznacenym tranzistorem.
Regler je ta soucastka, ktera je na obrazku "altik regulator.jpg" v obdelniku oznacenem "generator" vlevo s naznacenym tranzistorem.
-
dj-vozi
- Nováček

- Příspěvky: 140
- Registrován: 23.03.2008 12:42
- Bydliště: Přerov
Re: Baterie
ahoj taky mám problém už před měsícem mi vylítávaly ručičky přes všechny budíky ale jezdilo to potom jsem asi měsíc skoro vůbec nejezdil zkrz bouračku po opravě jsem začal jezdit asi 3 dny a pořád lítalky ručičky a kontrolka baterky se pořád rožínala a zhasínala včera mi zničehonic začal klesta volnoběh začly blikat všechny kontrolky světla se rožínaly a zhasínaly až to nakonec chcíplo a teď už to jen cvaká. Modlím se ať je to jen baterka a nic jiného 
Ford Focus 1.6 16V Ghia (hatchback) 5.dv, r.v. 1998
černá metalíza, pružiny eibach, výfuk ulter sport, kit KN,
černá metalíza, pružiny eibach, výfuk ulter sport, kit KN,
- ferdys
- Nováček

- Příspěvky: 32
- Registrován: 02.02.2008 03:18
- Bydliště: Praha
Re: Baterie
To Pelen a dalsi..
Teď jsem mluvil s elektrikářem...Regler už zkoušel v altíku třetí...když roztočí alternátor "na stole" dává prý 14 V..zkontroloval a proletoval prý všechnu kabeláž, vyměnil oka, nějaké konektory,zkoušel i jině akumulátory, jestli ta baterie co tam teď je nemá nějaký ztvrdlý článek .. a do baterky jde stále 13,5 V. Ještě zkouší nějakou pro něho poslední možnost ... pak už nevím ... zkusit to ještě dát jinam .. ? Není mi z toho moc do smíchu .. 
Ford Focus C-MAX 100kW, 2,0 TDCI 2006
- whoiswho
- Nováček

- Příspěvky: 7
- Registrován: 02.02.2008 03:18
Re: Baterie
Tak som po problemoch so startovanim (Tocilo a chytilo to az ked uz to vyzeralo ze baterka odide) skusal doliat destilku, nabijat baterku (dva vykendi s roznymi nabijackami) a nic. Rozhodol som sa kupit novu baterku a priamo vo Forstingeri mi ju vymenili. Bol som spokojny ze snad je po problemoch...
Prisiel pondelok rano, start na studeno a nic.. zase tazko tocil, akoby tocil s posledneho. Teras sa snazim rozhodnut do ktoreho servisu to odnesiem a co mam v servise povedat aby mi nevymenili aj to co nemaju
. Viete niekto poradit? Inak som z Trencina a makam v Bratislave. Takze ak mate niekto skusenosti (samozrejme citam ze vsetci odporucuju KOIS Tr. Turnu a Banovce) co mam povedat v servise? Alebo si mam splasit nejaky neznackovy servis niekde v BA (ak ano zisiel by sa kontakt)? Moze byt chyba v Alternatore? Na alarme mam meranie napatia a pri zapnutom motore mam 14,6 -14,9.
Do auto som amater a tak dufam v radu
.
Inak mam 1.9TDCi r.2003.
Prisiel pondelok rano, start na studeno a nic.. zase tazko tocil, akoby tocil s posledneho. Teras sa snazim rozhodnut do ktoreho servisu to odnesiem a co mam v servise povedat aby mi nevymenili aj to co nemaju
Do auto som amater a tak dufam v radu
Inak mam 1.9TDCi r.2003.
Kdo je online
Uživatelé prohlížející si toto fórum: Žádní registrovaní uživatelé a 2 hosti





