Bastlírna: náhrada DRL nejen pro AFS světlomety

Odpovědět
ozzik
Nováček
Nováček
Příspěvky: 27
Registrován: 12.05.2011 14:07
Bydliště: Praha

Bastlírna: náhrada DRL nejen pro AFS světlomety

Příspěvek od ozzik » 05.08.2017 19:09

Včera jsem si trochu hrál s AFS světlomety a režimem AUTO na ovladači světel. Ve dne v režimu AUTO samozřejmě světla nesvítí a je deaktivované natáčení čoček a "rohová" světla. Napadlo mne, že toho se dá využít, protože uzákoněné celodenní svícení asi nebylo plánované při návrhu vozidla, takže i motorky pro natáčení čoček do zatáček asi časem dostávají zabrat.

Pokud by se dalo na přepínači modulu světel zjistit jestli je právě v režimu AUTO, tak by se za pomocí relé dal celý systém upravit tak, aby natáčení světel fungovalo pouze při šeru a za tmy, přitom světla svítila po celou dobu.

Chtěl abych aby celé řešení mělo následující vlastnosti:
  • světla svítila i v poloze AUTO
  • v poloze AUTO bylo za dne bylo deaktivované natáčení čoček a "cornering lights"
  • ostatní režimy nechat tak jak jsou (i kvůli STK apod.)
  • BONUS: v režimu AUTO za dne svítit na cca 70% jinak 100% (prodloužení životnosti žárovek s vyšší svítivostí - ta se opravdu hodí jen v noci)
  • možnost jednoduchého odpojení
  • minimální zásah do kabeláže (ideálně nic neprotahovat do motorové části)
  • nechci navázat rozsvěcování světel na startování motoru (žárovky, baterka ani startér mi nepoděkují)
  • při přepínání na AUTO režim světla s AFS projdou vyhledáním středové polohy světla, tzn budou svítit rovně :)

Možná realizace:
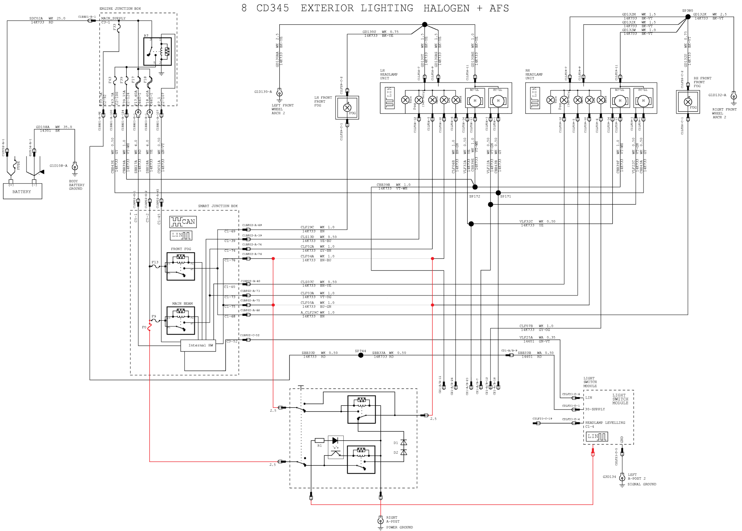
Navrhnul jsem schéma, které by všechno tohle mohlo splňovat, nicméně ještě to není kompletně doladěné. Trápí mne hlavně následující věci:
  • nevím jak vnitřně funguje modul světel a vodič vedoucí do BCM - to budu muset nějak proměřit či rozebrat a pokusit se vypočítat R1. Případně kompletně předělat spínání relé na schématu. Neví o tom někdo něco víc?
  • tak jak to mám nakreslené bohužel mám paralelně F0 a F9, a to je špatně :/ - budu muset najít vhodnou odbočku na malé pojistky ale bez té druhé zapojené pojistky :)
  • počet diod asi bude záviset na jejich úbytku napětí, viděl bych 2 při úbytku 1,5V na každé. Při jízdě by to pak dávalo kolem 11V, což bude OK.
  • Jako vhodnou diodu bych asi vybral tuto. 16A by mělo na obě světla stačit. Možná ideálně stejné ampéry jako bude mít pojistka před diodami.
  • Nebo tam případně hodit rezistor
  • Trochu se bojím systému, který hlídá prasklé žárovky, jestli mu to nebude nějak vadit.
Schéma:
dimmer_mondeo_mk4_V1_small.png
Případně bezpečnější:
dimmer_mondeo_mk4_V2_small.png
Tento system by mohl být vhodný i pro auta s klasickýma halogenama co nemají AFS, ale nechtějí přes den svítit na 100%. Zapojení by mělo být shodné. Pro Xenony bych to nedoporučoval. Tam asi stmívání nebude úplně OK.

Co myslíte, není tam nějaká úplná hovadina? Případně nepokoušel se někdo o něco podobné, ať tady nevynalézám už hotové řešení?
Ford Mondeo mk4 (2007), Titanium, benzín 2.0, 107kW, liftback
Ford Focus I. (1999), Trend, benzín 1.6, 74kW, hatchback

Uživatelský avatar
lucky.jack
Test driver
Test driver
Příspěvky: 8473
Registrován: 12.03.2011 21:18
Bydliště: v Hradci Královým

Re: Bastlírna: náhrada DRL nejen pro AFS světlomety

Příspěvek od lucky.jack » 05.08.2017 20:06

Tohle je sekce Návody! Pakliže to není návod, nemá to tady co prohledávat!
Focus III combi, 10/2011, 1.6 Ti-VCT 105 poníků

>Galerie< - Focus II combi 10/2007 Collection(mezifacelift), 1.6 TDCi 66 kW/214Nm - chip 81kW/245Nm

ozzik
Nováček
Nováček
Příspěvky: 27
Registrován: 12.05.2011 14:07
Bydliště: Praha

Re: Bastlírna: náhrada DRL nejen pro AFS světlomety

Příspěvek od ozzik » 05.08.2017 20:26

Ok, chtěl jsem z toho postupem času návod udělat. Už chybí jen "málo" :mrgreen:

Jinak teď koukám, že možná MAIN BEAM jsou dálková světla, takže to mám nakreslené špatně. :dih:
Ford Mondeo mk4 (2007), Titanium, benzín 2.0, 107kW, liftback
Ford Focus I. (1999), Trend, benzín 1.6, 74kW, hatchback

Uživatelský avatar
ZaQik
Admin
Admin
Příspěvky: 25214
Registrován: 30.05.2010 17:33
Bydliště: exit 82 na D0

Re: Bastlírna: náhrada DRL nejen pro AFS světlomety

Příspěvek od ZaQik » 06.08.2017 08:41

spinac svetel s BCMi komunikuje po sbernici
Ford Focus mk3 combi 1.6 Ti-VCT, r.v.2018 + Ford Fiesta mk7 3D 1.25, r.v.2014
byl Ford Focus mk2 combi 1.6, r.v.2009 + Ford Fiesta mk6 1.4 TDCi r.v. 2004
Nejsem poradna, encyklopedie ani hotline spolecnosti Ford - ptejte se na foru, od toho je.

ozzik
Nováček
Nováček
Příspěvky: 27
Registrován: 12.05.2011 14:07
Bydliště: Praha

Re: Bastlírna: náhrada DRL nejen pro AFS světlomety

Příspěvek od ozzik » 06.08.2017 18:53

Mno výborně, tajně jsem doufal v podobný systém, jako je například tlačítek na volantu pomocí odporu.

Takže buď celý spínač rozebrat a kouknout, zda by se dal "ukradnout" kontakt z otočného spínače, nebo to pustit k ledu. Zkusím někde sehnat spínač světel s polohou AUTO na pitvu :)

Jinak schéma V3 - už to ztrácí jednoduchost zapojení :(
dimmer_mondeo_mk4_V3_small.png
Ještě mne napadlo, že vlastně potkávací světla nejsou homologovaná jako "denní svícení," takže bych musel donutit ke svitu ještě obrysovky a zadní světla, abych plnil legislativu. :nixw:
Ford Mondeo mk4 (2007), Titanium, benzín 2.0, 107kW, liftback
Ford Focus I. (1999), Trend, benzín 1.6, 74kW, hatchback

Uživatelský avatar
ZaQik
Admin
Admin
Příspěvky: 25214
Registrován: 30.05.2010 17:33
Bydliště: exit 82 na D0

Re: Bastlírna: náhrada DRL nejen pro AFS světlomety

Příspěvek od ZaQik » 06.08.2017 19:01

homologaci neres, reseni "svitim pres den jen potkavackama" Ti projde
Ford Focus mk3 combi 1.6 Ti-VCT, r.v.2018 + Ford Fiesta mk7 3D 1.25, r.v.2014
byl Ford Focus mk2 combi 1.6, r.v.2009 + Ford Fiesta mk6 1.4 TDCi r.v. 2004
Nejsem poradna, encyklopedie ani hotline spolecnosti Ford - ptejte se na foru, od toho je.

RosemanCZ
Nováček
Nováček
Příspěvky: 197
Registrován: 21.08.2011 14:28
Bydliště: Praha

Bastlírna: náhrada DRL nejen pro AFS světlomety

Příspěvek od RosemanCZ » 07.08.2017 13:49

Sveho casu jsem se ptal behem TK, zda by reseni jen s potkavackama proslo... Odpovedi bylo, ze nebude-li svitit nic jinyho (parkovacky, zadek, pristrojovka, ani kontrolka zapnutych svetel), tak nevidi problem... Ale je to opravdu uz nejaky patek zpatky...
Ford Mondeo kombi 2.0 TDCi Trend, r.v. 2007 (MKIII)

Odpovědět

Zpět na „karoserie - mondeo mk4“

Kdo je online

Uživatelé prohlížející si toto fórum: Žádní registrovaní uživatelé a 1 host